De acuerdo con la Norma Europea EN 50005, la numeración para identificar las terminales de los temporizadores es:
Una vez identificados los bornes, debemos realizar la conexión de la alimentación del temporizador en las terminales A1 y A2. Para esto debemos asegurarnos que el timer es compatible con la tensión que se requiere en nuestro proyecto.
Una característica de los timers Finder es que generalmente son multitensión. Esto significa que se pueden alimentar en un amplio rango de tensión. Generalmente entre 24 y 240 V AC/DC.
Es importante mencionar que existen algunas excepciones como la serie 84, la cual se ofrece en dos variantes de alimentación:
Encontramos fácilmente esta información en la hoja de datos o en el manual incluido en el empaque.
¡Recuerda! Asegúrate de elegir el temporizador adecuado para la tensión de alimentación de tu proyecto.
Normalmente nos toca trabajar con circuitos de control y fuerza que requieren tensión de alimentación distinta. Gracias a los contactos secos de los temporizadores, esto no es un problema.
Veamos el siguiente caso:
Se utilizará el timer 80.01 con alimentación de 24 V DC.
La carga se alimenta con 120 V AC y se conectará directamente al contacto normalmente abierto del timer (terminales 15 y 18), ya que no sobrepasa las características nominales indicadas en el manual (16 A @ 250 V AC-1).
Como ya lo vimos en la entrada Cómo elegir un temporizador, evidentemente no es posible conectarla directamente, así que toca hacer uso de relevadores de potencia o también de contactores.
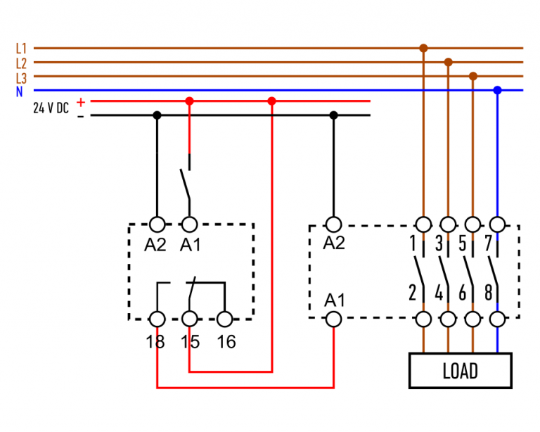
Veamos otro ejemplo en el que a través del contacto del temporizador controlaremos la conexión de la bobina de un contactor de 4 polos.
Para no complicarnos demasiado, consideraremos que la bobina del contactor también se alimenta con 24 V DC, aunque recuerda que gracias al contacto seco del temporizador 80.01 podemos usar cualquier otra tensión que el proyecto requiera.
Finalmente conectaremos la carga trifásica en los contactos del relevador de potencia o contactor.
Como ves, no es complicado conectar un temporizador si seguimos estos 3 pasos:
1. Identificar los bornes de conexión.
2. Verificar la tensión de alimentación del timer.
3. Verificar las características eléctricas de la carga.





